Пошаљите нам е-пошту
Вести

Изградња и одржавање мини багера

Изградња и одржавање мини багера


Мини багериште Иновација и интелигентно одржавање: Мало тело које носи велике пројекте


1, Анализа изградње мини багера: Четири димензионална технологија преобликује "свемирски мађионичар"

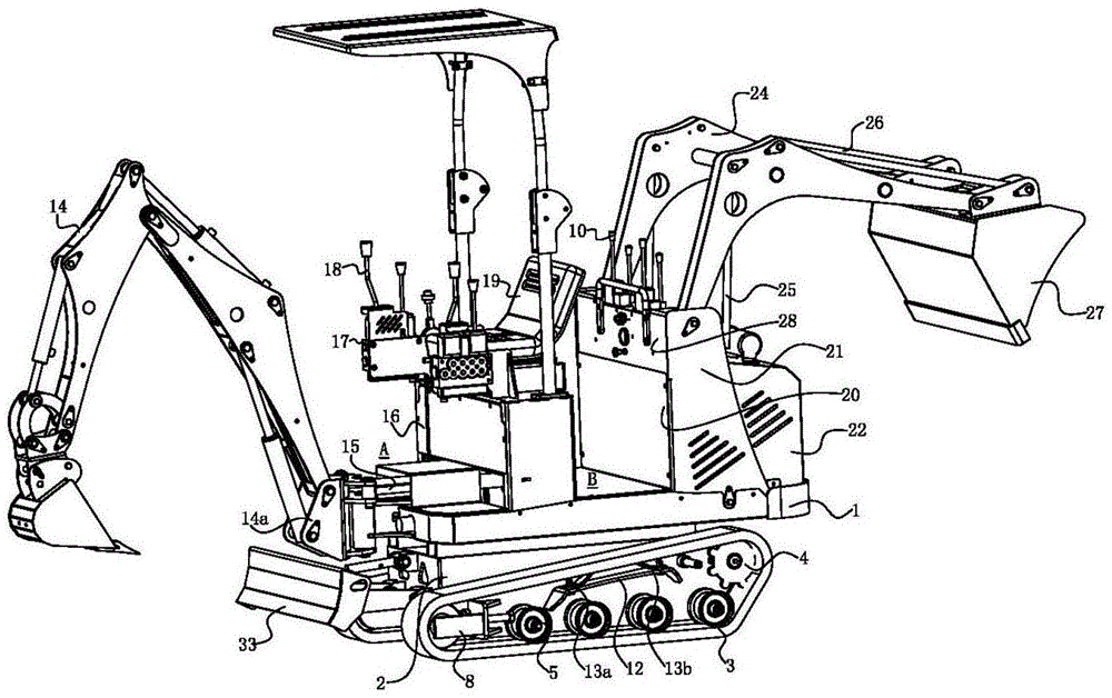
Систем шасије и ходања:


Дизајн окретања на мрежи: Модели попут САНИ СИ18У-а усвојити структуру "нулте реп", са радијусом репа за скретањем од само 0,86 метара, што омогућава 360 ° БЕСПЛАТНО РОТАТИОН у уским тунелима без судара са зидовима. У исто време, наш мини багер за 0,8 ДУГ може такође постићи радијус окретања од 1,1м, омогућавајући слободно и флексибилно деловање у уским просторима.


Подесиви оквир за нумере: Мерач трагова може се слободно прилагодити (као што је СИ16Ц који подржава 980-1350 мм проширење и контракцију), што олакшава унакрсну температуру уских улога од 1 метра. Гумени траг за уземљење притиска је низак од 25кПа, штити поплочане земље.


Лежајеви за само подмазивање: Цхассис Ианмар користи иглидур Г сериес пластични лежајеви уместо традиционалних кугличних лежајева, који су анти-бочни лежајеви, који су анти-хрђе, анти рђе и одржавање, повећавајући радни век до три пута.




Снага и хидраулички систем:


Двоструки мод револуција: Мали багер доноси Кубота ККС019, који подржава пребацивање дизел / електричног кликом, а батерија од 20кВ-а омогућава 8-часовни опсег и бука у затвореном простору је нижа од 66 децибела.


Интелигентна хидраулична контрола: Технологија осетљива на оптерећење (као што је Схенганг СК35СР-6) постиже прецизност дистрибуције протока од ± 1,8%, композитна брзина акционог одговора од 0,7 секунди и смањење потрошње енергије од 22%.




Побољшање радне опреме:


Структура отпорне на хабање: Артикулирани зглоб бума компактног багера је подвргнут топлотном пречишћавању (тврдоћа ХРЦ55 +), а канта је заварена са ХАРДОКС500 отпорне плоче (тврдоће ХБ500), продужавајући свој радни век за 30%.


Бочни покретни патентни патент: Кубота У-15-3С постиже оставу одступање од 595 мм / десно одступање од 350 мм, а ископавање на зиду не захтева померање тела.


Ротациони уређај, 360 ° све-округли рад, флексибилан за прилагођавање различитим радним окружењима.


Надоградња интеракције у компјуса рачунара


Ролл Преко отпорне кабине: Овјерени од стране РОПС / ФОПС (отпорно на 16 тона статичког притиска), опремљеног плутајућим седиштима, ЛЦД екран осетљив на додир и АИ надгледање сурроунд виев-а, смањујући слепе мрље за 40%.


2, одржавање и свакодневно одржавање:

Златно владавинско одржавање


Хидраулично управљање нафтом: Користите хидраулично уље против хабања бр. 68 у љето и ниско вискозност уља бр. 32 зими. Редовно проверавајте чистоћу НАС-а (≤ Ниво 8) да се спречи хабање пумпе и вентила.


Циклус пуњења путевима: убризгавање масти сваких 10 дана за ротациони лежај и убризгајте маст високог притиска сваких 4-8 сати за шарку радног уређаја како би се избегло заглављене осовине ПИН.




Техника продужења у кључној компоненти:


Пременски систем: Подесите напетост да не бисте били превише лабави (скакачки зуби) или прејако (убрзавање хабања); Редовно чистите шљунак да бисте спречили неуспех заптивања пратећег точка.


Одржавање "троношења гвожђа":

Пратите инспекцију ципела за пукотине / 500х

Погонски зуби зуба су млевени равни и одмах замењени

Треба да се поправи инертна точка за бртвљење уља

Према Статистици Цат Складенти, 80% неуспеха шасије проузроковано је ове три врсте компоненти.


Смјернице за руковање екстремним радним условима:


Рад са високом надморском висином: Турбопуњени мотор Мини багера има накнаду снаге од 15%, а хидраулички систем је опремљен вентилом за компензацију притиска како би се спречило губитак протока.

Рад воде за вађење: У италијанском поплавном спасавању, модерног ХКС35аз постигао је пролазни дубину од 0,8 метара путем заптивеног модула.


Дугорочни стандарди складиштења:


Парк у сувој соби подржава нумере да бисте смањили притисак уземљења;

Испуните резервоар за гориво да бисте спречили кондензацију, повуците све хидрауличне цилиндре како бисте спречили старење бртве;

Почните једном у 3 месеца да спречите да се плоча за влагу да добије влагу.


3, технолошки граница: Електрификација и интелигентно реструктурирање индустријске екологије

Повер Револутион:


Модуларна батерија: ХИТАЦХИ ЗКС55У-6ЕБ подржава двоструки погон комерцијалне снаге и батерије, са 2 сата брзог пуњења да би се задовољило 10 сати рада у 6 сати.


Тест за енергију водоника: ХД Хиундаи је развио мотор водоника (ХКС12) да би се постигла изградња нула угљеника.


Предиктивно одржавање:


ИОТ даљински дијагноза: Сани СИ35У опремљен је системом ХИ Мате, који анализира температуру уља и податке вибрације у реалном времену, са брзином упозорења о грешци од 92%.


АР Помоћ одржавања: Каисе Мицро багер пружа ВР оперативну обуку за мале багере, симулирајући 30 сценарија квара и побољшање ефикасности одржавања за 40%.


4, практични сведок: из древне куће рестаурације до рударског прибора

Обнова резиденције Минг и Кинг династијског учења у Таизу: Кубота У-15-3С-а Мали багер је завршио ископавање подземног цеви кроз лук од 0,85 метра, а бочна функција кретања штитила је древни зид са 95% нетакнутом брзином.


Подземне операције у руднику чилеанског бакра: Компактни багер са модификованим ојачаном кабином радио је непрекидно 300 сати без икаквих кварова, што је резултирало смањењем трошкова утовара 23%.


Токио ноћна конструкција: Чиста електрична верзија мини багера САНИ СИ19Е-а ради тихо на 66 децибела, решава проблем "прозора градње".


Закључак: Мало тело носи велику будућност

Од ултра-танки модела од 0,8 тона на 4-тону тешким ратницима, мали багери пролазе у трострукој еволуцији прецизне конструкције, разновршене енергетске изворе и интелигентно одржавање, преобликовање глобалне грађевинске парадигме. Са годишњом продајом већом од 3100 јединица на индијском тржишту и процењеном стопу продирања од 40% за електромоторе за електронску моторе, ова технолошка револуција "коришћења малог да би добила велико" суђено је да открије златну прилику на тржишту трилионског долара.


Искуство одржавања индустрије:

За компактне багере, прецизни дизајн је окосница, док је интелигентно одржавање, што је животни трошкови, штедећи трошкови одржавања за 1 ИУАН и смањење трошкова поправке до 10 јуана.



Повезане вести
Оставите ми поруку
Тел
+86-18153282520
Мобилни
Адреса
Цхангјианг Вест Роад, округ Хуангдао, град Кингдао, провинција Шандонг, Кина
X
Користимо колачиће да бисмо вам понудили боље искуство прегледања, анализирали саобраћај на сајту и персонализовали садржај. Коришћењем овог сајта прихватате нашу употребу колачића. Политика приватности
Одбити Прихвати